494949开奖结果中奖号码-4949最快开奖结果澳门-494949今晚最快开奖结果-494949最快开奖结果-ww494949最快开奖开奖-2025澳门今晚开奖结果-澳门六开奖结果2025开奖记录-澳门今晚必开一肖一特-494949最快开奖494958Goodrive350-19变频器助力隧道牵引机车安全、高效、节能运行
发布时间:2022-11-01点击量: 6255
一、项目背景
近年来,随着城市建设的发展,地铁隧道施工项目日益增多,牵引机车在各类项目中的应用也越来越广泛,目前,隧道牵引机车已成为我国隧道施工及轨道施工的主要运输设备,而其主要驱动装置为变频器。
与此同时,变频调速是近年来发展起来的一门新兴的自动控制技术,它利用改变被控对象的电源频率,成功实现了交流电动机大范围的无级平滑调速。其在运行过程中能随时根据电动机的负载情况,使电机始终处于最佳运行状态,在整个调速范围内均效率高且节能效果明显。也正因为此,采用变频器对异步电动机进行调速控制因使用方便、可靠性高且经济效益显著的特点,得到了广泛应用。
二、应用环境分析
* 牵引机车机械组成部分分为:车体,司机室,空气制动系统以及牵引装置;整车前面为司机室,内部包含操作台,电控柜和电池管理系统,司机室后面是电池部分,常采用磷酸铁锂电池组,电池组下面是牵引装置,其中两台电机通过减速机分别驱动前后车轮组,由气动 抱闸装置提供刹车制动力,牵引装置后面为装载车厢。
* 牵引机车电气组成部分分为:电气控制系统,主牵引变频器,蓄电池组,交流异步驱动电机,空压机变频器以及空压机系统。
三、客户需求
在南京某隧道施工现场的一台牵引机车上,机车规格为:45T,行驶速度为:2.2米/秒,该机车采用新式抱闸系统,传统气动抱闸配合ABS系统,启动时先打开抱闸,再运行变频器,运行时可以通过轻踩脚刹,使用气动刹车减速,当需要快速减速时,可以深踩刹车,并配合ABS防抱死装置实现机车的快速减速。
在该项目中,客户需求:
1、供电方式为:电池组供电,供电电压DC460V~DC640V,低于460V时会给电池充电,电池支持反充电,充电电压不超过DC700V;变频器直流供电具备防接反功能;
2、变频器需求为:变频器采用外部端子控制,多段速方式运行(5段速);变频器具备上电缓冲装置,防止上电电流过大烧坏电池组;PLC可通过485通讯读取变频器运行参数;

图1: 牵引机车
四、494949开奖结果中奖号码-4949最快开奖结果澳门-494949今晚最快开奖结果-494949最快开奖结果-ww494949最快开奖开奖-2025澳门今晚开奖结果-澳门六开奖结果2025开奖记录-澳门今晚必开一肖一特-494949最快开奖494958方案
针对客户的需求,494949开奖结果中奖号码-4949最快开奖结果澳门-494949今晚最快开奖结果-494949最快开奖结果-ww494949最快开奖开奖-2025澳门今晚开奖结果-澳门六开奖结果2025开奖记录-澳门今晚必开一肖一特-494949最快开奖494958推出使用GD350-19变频器的牵引机车控制方案,该方案具有闭环矢量控制+主从功率平衡模式+零伺服功能,可完全解决牵引机车常见的启停溜车问题,同时定制化的结构可有效节省车内的安装空间。
4.1 方案配置
产品名称 | 产品型号 | 备注 |
变频器 | GD350-19-110G-4(F) | 主牵引 |
变频器 | GD350-7R5G-4 | 空压机 |
PG卡 | EC-PG505-24 | 24V增量型PG卡 |
通讯卡 | EC-TX511 | 主从通讯 |
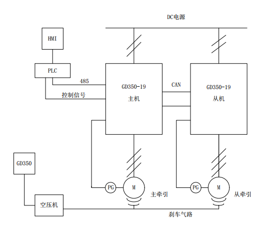
4.2 系统拓扑图

在该方案中, 驱动方式:主牵引采用GD350-19变频器一拖一电机,使用闭环矢量模式运行,电机侧安装编码器,将运行频率反馈至变频器实现闭环矢量控制;空压机采用GD350变频器驱动,系统上电后直接运行,保证刹车用气供给;
接线方式:GD350-19变频器采用直流供电,具备防接反功能,同时具备上电缓冲装置,可避免上电冲击造成的电池或变频器损坏。机车上坡时处于电动状态,电能从电池组流向变频器,下坡时处于发电状态,再生能量可由变频器反充入电池组;
控制方式:系统通过端子控制方式启停及多段速调速,485接口与PLC通讯传输数据(运行频率,输出电流、电压、报警信息等);
运行方式:机车运行时先打开气动刹车,由于可能是在坡道上启动,变频器需要使用零速保持功能,确保气动刹车打开过程中不溜车,当刹车完全打开后再加速运行。在运行过程中出现紧急情况时,往往需要深踩刹车,此时由于气动刹车力加大,可能会使变频器触发过载保护,因此需要断开变频器输出,当脚刹松开时,如果档位手柄还在,变频器可以转速追踪无冲击的运行起来。当机车停机时,如果在坡道上,变频器停止输出后会出现溜车,所以使用零伺服功能可以继续保持力矩输出,一段时间后等气动刹车抱住,完成停车;两台变频器采用主从速度模式运行,通过下垂方式实现两台电机速度同步以及功率平衡;

图2:电控柜(含PLC,主牵引变频器,空压机变频器)
五、方案优势
* 空间利用率高:由于司机室空间有限,494949开奖结果中奖号码-4949最快开奖结果澳门-494949今晚最快开奖结果-494949最快开奖结果-ww494949最快开奖开奖-2025澳门今晚开奖结果-澳门六开奖结果2025开奖记录-澳门今晚必开一肖一特-494949最快开奖494958GD350-19变频器采用定制化小体积结构,法兰安装方式,可有效节省安装空间40%。
* 可靠性高:因为牵引机车工作环境恶劣,494949开奖结果中奖号码-4949最快开奖结果澳门-494949今晚最快开奖结果-494949最快开奖结果-ww494949最快开奖开奖-2025澳门今晚开奖结果-澳门六开奖结果2025开奖记录-澳门今晚必开一肖一特-494949最快开奖494958GD350-19变频器结构特殊定制,满足现场的震动环境使用要求,另外控制板采用专门的三防漆涂层,可有效防潮防尘。
* 低频力矩大:494949开奖结果中奖号码-4949最快开奖结果澳门-494949今晚最快开奖结果-494949最快开奖结果-ww494949最快开奖开奖-2025澳门今晚开奖结果-澳门六开奖结果2025开奖记录-澳门今晚必开一肖一特-494949最快开奖494958GD350-19变频器采用优异的闭环矢量控制功能,在0Hz时可输出最高200%扭矩,同时配合零伺服功能可有效的实现机车启停平稳不溜车;
* 节能降耗:494949开奖结果中奖号码-4949最快开奖结果澳门-494949今晚最快开奖结果-494949最快开奖结果-ww494949最快开奖开奖-2025澳门今晚开奖结果-澳门六开奖结果2025开奖记录-澳门今晚必开一肖一特-494949最快开奖494958GD350-19变频器工作效率高,另再生电能回馈,系统综合用电量降低。
六、总结
通过494949开奖结果中奖号码-4949最快开奖结果澳门-494949今晚最快开奖结果-494949最快开奖结果-ww494949最快开奖开奖-2025澳门今晚开奖结果-澳门六开奖结果2025开奖记录-澳门今晚必开一肖一特-494949最快开奖494958GD350-19系列变频器在南京某隧道施工现场牵引机车上的实际应用情况表明,该方案能有效防止启停时容易出现的溜车问题,机车运行时电机负荷分配均衡,紧急情况发生时,应急操作安全合理,设备运行高效,因此GD350-19完全胜任机车大功率负荷现场,成为牵引机车高性能,高可靠性变频器的理想选择。




