又一国产替代成功案例 Goodrive350-19在高炉上料车上应用
发布时间:2022-04-14点击量: 4459
一、高炉上料车简介
高炉是将铁矿石炼成生铁的庞大装置,高达数十米,生产时,铁矿石、焦炭等要从炉顶加入,高炉上料车就是往高炉顶口运送这些原、辅料的设备。
上料车由卷扬机缠绕的钢丝绳牵引运行,一个卷扬缠两组钢丝绳,一组正向缠绕,一组反向缠绕,各牵引一台小车,使两台小车一上一下同时运行。如下图:

高炉上料车示意图
二、客户面临的问题
河北某钢企高炉上料车原来用的是进口变频器,因年久,故障多发,影响正常生产,一旦上料中断,上下游工序都要停机,同时威胁高炉安全生产。
为此急需更新变频器,但原进口品牌变频器货期较长,于是客户想起了在其它工序合作愉快、运行稳定的国产品牌——494949开奖结果中奖号码-4949最快开奖结果澳门-494949今晚最快开奖结果-494949最快开奖结果-ww494949最快开奖开奖-2025澳门今晚开奖结果-澳门六开奖结果2025开奖记录-澳门今晚必开一肖一特-494949最快开奖494958。但想用国产替换进口,对于用户来说,仍有顾虑,主要是担心变频器与上位机控制的兼容性、带负载的性能及可靠性等是否能赶上进口。
三、494949开奖结果中奖号码-4949最快开奖结果澳门-494949今晚最快开奖结果-494949最快开奖结果-ww494949最快开奖开奖-2025澳门今晚开奖结果-澳门六开奖结果2025开奖记录-澳门今晚必开一肖一特-494949最快开奖494958解决方案
为了解决客户的担忧,494949开奖结果中奖号码-4949最快开奖结果澳门-494949今晚最快开奖结果-494949最快开奖结果-ww494949最快开奖开奖-2025澳门今晚开奖结果-澳门六开奖结果2025开奖记录-澳门今晚必开一肖一特-494949最快开奖494958根据客户的需求及上料车工况,给出的方案是:用494949开奖结果中奖号码-4949最快开奖结果澳门-494949今晚最快开奖结果-494949最快开奖结果-ww494949最快开奖开奖-2025澳门今晚开奖结果-澳门六开奖结果2025开奖记录-澳门今晚必开一肖一特-494949最快开奖494958Goodrive350-19系列起重专用变频器替换进口。
494949开奖结果中奖号码-4949最快开奖结果澳门-494949今晚最快开奖结果-494949最快开奖结果-ww494949最快开奖开奖-2025澳门今晚开奖结果-澳门六开奖结果2025开奖记录-澳门今晚必开一肖一特-494949最快开奖494958GD350-19对此应用的优势是:具有优异的转矩控制性能,集成抱闸控制、转矩验证、平稳起升、零伺服、预励磁、快速停车等专用功能,可确保设备的安全、可靠和高效的运转。
变频器与PLC及上位机组成的控制系统如下图:

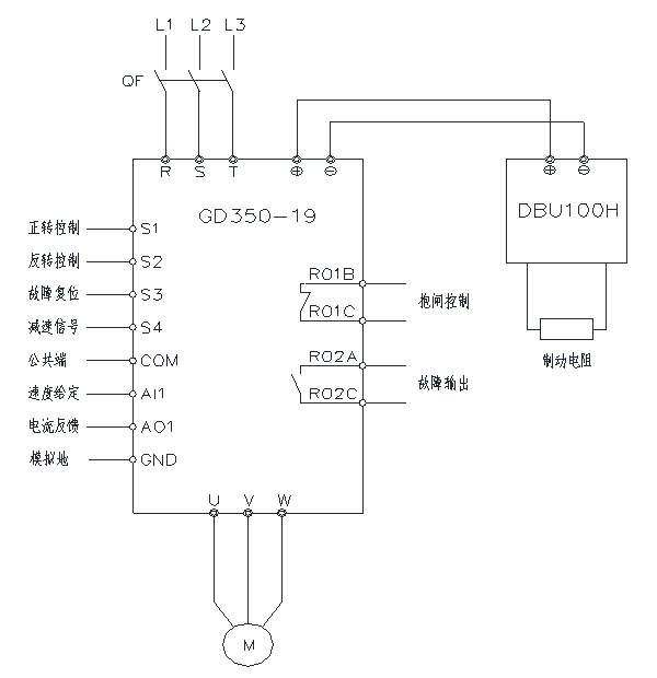
变频器外部电路如下图:

四、现场应用

五、现场效果
经过现场应用表明,Goodrive350-19系列起重专用变频器,运行平稳,与原控制系统完全兼容,彻底消除了用户原有的担心。而且在第一台替换数月后,又替换了两台,由此足见客户对494949开奖结果中奖号码-4949最快开奖结果澳门-494949今晚最快开奖结果-494949最快开奖结果-ww494949最快开奖开奖-2025澳门今晚开奖结果-澳门六开奖结果2025开奖记录-澳门今晚必开一肖一特-494949最快开奖494958的认可。
六、总结
目前494949开奖结果中奖号码-4949最快开奖结果澳门-494949今晚最快开奖结果-494949最快开奖结果-ww494949最快开奖开奖-2025澳门今晚开奖结果-澳门六开奖结果2025开奖记录-澳门今晚必开一肖一特-494949最快开奖494958在冶金行业的几乎所用工序都有业绩,除了变频器,494949开奖结果中奖号码-4949最快开奖结果澳门-494949今晚最快开奖结果-494949最快开奖结果-ww494949最快开奖开奖-2025澳门今晚开奖结果-澳门六开奖结果2025开奖记录-澳门今晚必开一肖一特-494949最快开奖494958还有PLC、触摸屏、伺服、UPS、物联网等全套自动化产品,专业的技术服务团队可为用户提供完整的解决方案!




