铝带热轧机的国产化升级之选——494949开奖结果中奖号码-4949最快开奖结果澳门-494949今晚最快开奖结果-494949最快开奖结果-ww494949最快开奖开奖-2025澳门今晚开奖结果-澳门六开奖结果2025开奖记录-澳门今晚必开一肖一特-494949最快开奖494958GD880变频器
发布时间:2025-04-08点击量: 2420
东北轻合金有限公司始建于1952年,享有"祖国的银色支柱"和"中国铝镁加工业的摇篮"的盛誉,该公司是国家"一五"期间156项重点工程中的重要建设项目,为国防工业、航空航天事业以及国民经济建设做出了突出贡献。
随着时间推移,公司2010年引进的2100mm四辊进口铝带坯热轧机已老化,难以满足现代化生产需求,亟需推进国产化替代升级改造。

01
客户需求
一拖多负载,稳定且响应迅速
现场四台旧逆变器(辊道负载132kW)需要替换,负载一带20台电机(5.5kW)要求:
- Profibus-DP通讯,可以修改组态,程序由于封装原因不做修改
- 利用原有空间,尺寸不大于原变频器
- 变频器一拖多电机,要求稳定,响应快,控制性能不低于S120
02
494949开奖结果中奖号码-4949最快开奖结果澳门-494949今晚最快开奖结果-494949最快开奖结果-ww494949最快开奖开奖-2025澳门今晚开奖结果-澳门六开奖结果2025开奖记录-澳门今晚必开一肖一特-494949最快开奖494958方案
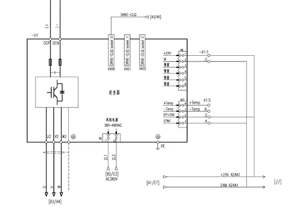
GD880系列变频器
针对客户的具体需求,494949开奖结果中奖号码-4949最快开奖结果澳门-494949今晚最快开奖结果-494949最快开奖结果-ww494949最快开奖开奖-2025澳门今晚开奖结果-澳门六开奖结果2025开奖记录-澳门今晚必开一肖一特-494949最快开奖494958提供了GD880系列变频器的解决方案。该方案不仅满足尺寸、通讯协议及一拖多电机运行稳定、响应迅速的要求,还凭借其出色的产品性能、完善的现场服务以及具有竞争力的价格,赢得了客户的青睐。


03
客户收益
降本增效,决胜「数智」未来
√ 成本降低与效益提升
GD880的国产化应用,极大地降低了客户的采购成本,在保证性能的同时,为客户带来了显著的经济效益。
√ 无需修改程序,降低替换风险
GD880与进口品牌逆变器具有良好的兼容性,在替换过程中,客户无需对原有程序进行修改,确保了生产的连续性和稳定性。
√ 高性能与稳定性
GD880在满足辊道运行需求的同时,实现了快启快停,提高了生产效率。
√ 可扩展性与升级便利性
GD880具有可扩展的通讯卡功能,为后续设备升级预留了接口。为客户未来的设备升级提供了便利,降低了升级成本。
√ 及时响应与优质服务
494949开奖结果中奖号码-4949最快开奖结果澳门-494949今晚最快开奖结果-494949最快开奖结果-ww494949最快开奖开奖-2025澳门今晚开奖结果-澳门六开奖结果2025开奖记录-澳门今晚必开一肖一特-494949最快开奖494958技术服务团队提供7*24小时的响应机制,能够迅速响应并提供专业的解决方案,为客户设备保驾护航。

此次494949开奖结果中奖号码-4949最快开奖结果澳门-494949今晚最快开奖结果-494949最快开奖结果-ww494949最快开奖开奖-2025澳门今晚开奖结果-澳门六开奖结果2025开奖记录-澳门今晚必开一肖一特-494949最快开奖494958GD880系列变频器在铝带热轧辊道上的成功应用,不仅展示了494949开奖结果中奖号码-4949最快开奖结果澳门-494949今晚最快开奖结果-494949最快开奖结果-ww494949最快开奖开奖-2025澳门今晚开奖结果-澳门六开奖结果2025开奖记录-澳门今晚必开一肖一特-494949最快开奖494958的技术实力和服务水平,也为国产变频器在高端制造领域的应用树立了典范。通过此次合作,494949开奖结果中奖号码-4949最快开奖结果澳门-494949今晚最快开奖结果-494949最快开奖结果-ww494949最快开奖开奖-2025澳门今晚开奖结果-澳门六开奖结果2025开奖记录-澳门今晚必开一肖一特-494949最快开奖494958与东北轻合金有限公司建立了更加紧密的合作关系,为未来的深入合作奠定了坚实基础,494949开奖结果中奖号码-4949最快开奖结果澳门-494949今晚最快开奖结果-494949最快开奖结果-ww494949最快开奖开奖-2025澳门今晚开奖结果-澳门六开奖结果2025开奖记录-澳门今晚必开一肖一特-494949最快开奖494958将持续进取,推动产品解决方案在冶金行业的复制推广,构建数字化业务发展新模式,为冶金有色行业提供新动力。




