494949开奖结果中奖号码-4949最快开奖结果澳门-494949今晚最快开奖结果-494949最快开奖结果-ww494949最快开奖开奖-2025澳门今晚开奖结果-澳门六开奖结果2025开奖记录-澳门今晚必开一肖一特-494949最快开奖494958光伏水泵解决方案
发布时间:2022-11-05点击量: 6270
摘 要:随着光伏产业的发展, 光伏板的工作效率变得更佳。494949开奖结果中奖号码-4949最快开奖结果澳门-494949今晚最快开奖结果-494949最快开奖结果-ww494949最快开奖开奖-2025澳门今晚开奖结果-澳门六开奖结果2025开奖记录-澳门今晚必开一肖一特-494949最快开奖494958最新研发的光伏水泵方案GD100-PV已悄然上市并在世界各地成功应用。 此光伏变频器从上一代产品中习得经验并结合世界各地终端客户的反馈来进行改善。本文将会介绍GD100-PV系列光伏水泵变频器。
关键词:Goodrive100-PV 光伏 MPPT 光伏水泵
1.方案背景介绍
从太阳能市场和终端用户中收集反馈信息后,我们得到以下建议:
(1)减少光伏板的使用数量
因为普通的太阳能变频器需要高直流输入电压;
(2)支持单相水泵
对于民用水泵,许多电机是单相的,而市场上的许多光伏水泵变频器不支持单相,只支持三相;
(3)支持AC / PV通道输入
在夜间,若是没有PV输入能量,水泵就会停止工作。而有些项目需要水泵始终保持工作状态;
(4)调试简易
上一代产品需要修改一些参数才能适用于不同的水泵,而新的变频器可以自动匹配参数进行工作;
(5)支持遥控
用户可以使用手机应用程序或者网站来监控机器的运行状态,控制系统启动或者停止工作。
为了满足终端用户的需求,解决市场上光伏水泵变频器的弊端,494949开奖结果中奖号码-4949最快开奖结果澳门-494949今晚最快开奖结果-494949最快开奖结果-ww494949最快开奖开奖-2025澳门今晚开奖结果-澳门六开奖结果2025开奖记录-澳门今晚必开一肖一特-494949最快开奖494958研发了新产品Goodrive100-PV来满足客户提出的以上需求。
2.Goodrive100-PV系列光伏变频器介绍
●适用于单相或者三相水泵,使用范围广;
●内置MPPT控制器,卓越的MPPT算法适用于各种太阳能板;
●IP54 控制柜解决方案,此方案可适用于严峻的户外环境,可在户外直接安装;
●支持小于2.2KW的升压模块,增加PV输出电压;
●支持光伏输入和交流电网输入,无需人工干预即可实现自动切换的功能;
●拥有水位控制逻辑功能,避免干燥无水运行的状态,增加满水位保护功能;
●启动平缓,减少对电机的电压尖脉冲;
●低启动电压和宽输入电压范围为接受多光伏组串配置和不同类型的光伏组件提供了更多的可能性;
●数字智能控制可灵活调节和设定水泵的转速范围。除软启动功能外还可提供防雷,过压,过流,过载等保护功能;
●支持GPRS模块,人们可以通过网站平台或手机应用程序操作系统。
3.光伏介绍
光伏(PV or photovoltaic),是太阳能光伏发电系统(photovoltaic power system)的简称,是一种利用太阳电池半导体材料的光伏效应,将太阳光辐射能直接转换为电能的一种新型发电系统,有独立运行和并网运行两种方式。 同时,太阳能光伏发电系统分类,一种是集中式,如大型西北地面光伏发电系统;一种是分布式(以>6MW为分界),如工商企业厂房屋顶光伏发电系统,民居屋顶光伏发电系统 。

4.光伏水泵应用的两种解决方案
对于不同功率的水泵,我们提供两种解决方案。
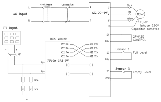
方案一:对于功率小于2.2kW的水泵,解决方案如图2所示;

图2 升压模块 + Goodrive100_PV
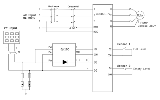
方案二:对于较大功率的水泵,解决方案如图3所示。

图3 自动切换模块+Goodrive100-PV
对于功率小于2.2KW的水泵,当我们配置太阳能电池板时,光伏功率是充足的,但是光伏输出电压不足,因此需要购买更多的太阳能板来增加光伏电压。 GD100-PV提供升压模块,支持低PV电压输入和高直流电电压输出以减少光伏板的使用数量。自动切换模块可以检测到电压表的输出电压,将电压信号发送给GD100-PV变频器,变频器将控制接触器,打开或关闭交流电输入。

5.总结
●Goodrive100-PV集成了许多功能,如降低光伏输入电压,直流电源开关和交流电源开关输入通道的切换,高保护等级 IP54等,此在太阳能变频器第一次设置参数后,终端用户无需再维护。
●日落后光线会变弱,Goodrive100-PV可以检测到PV电压小于设定值,他将自动把功率输入通道由PV转为交流电网输入。如果只有PV通道可输入电压,那么GD100-PV将在弱光下休眠,并在早晨自动唤醒。
6.产品应用现场
应用现场1:
水泵:2.2KW/单相220V/50Hz/10.3A / 2750rpm
变频器型号:GD100-2R2G-SS25-PV-AS
光伏板数量:多晶硅光伏板 300W/PC 9块 (9块串联)
交流功率:单相220VAC,50Hz
地点:泰国,曼谷

应用现场2:
水泵:1.5kW /单相220V / 50Hz / 6.5A / 2975rpm
变频器型号:GD100-1R5G-SS2-PV
光伏板数量:单晶硅光伏板270W/PC 8 块
地点:巴基斯坦

应用现场3:
地点:迪拜附近沙漠的一个农庄上
时间:2017年3月
水泵规格:4KW/380V/9.5A
变频器型号:GD100-5R5G-4-PV
太阳能板:18*300W/pcs
使用一年后,为用户节约了60%的成本


应用场景4:
地点:摩洛哥的一个葡萄树和橄榄树灌溉庄园
时间:2017年3月
水泵规格:37kW/380V/74A & 4KW/380V/9.5A
变频器型号:GD100-037G-4-PV & GD100-004G-4-PV
太阳能板:180*300W/pcs
使用时长为一年
节约60%的成本
优势:试运营启动仅需5分钟,自动运行,自动切换电网。






