494949开奖结果中奖号码-4949最快开奖结果澳门-494949今晚最快开奖结果-494949最快开奖结果-ww494949最快开奖开奖-2025澳门今晚开奖结果-澳门六开奖结果2025开奖记录-澳门今晚必开一肖一特-494949最快开奖494958Goodrive300变频器在EPS应急电源的解决方案
发布时间:2022-11-04点击量: 4072
1.方案说明
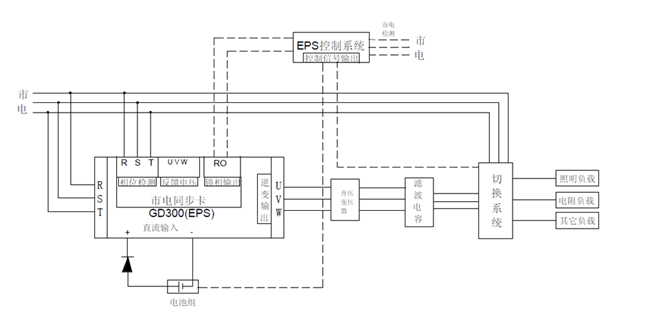
系统应用框图如下:

●EPS应急电源系统主要由逆变部分、电池部分、输出升压滤波部分、切换控制部分组成;
●逆变部分为我司EPS专用变频器,输出电压根据需要设定,在市电有正常时,逆变输出保持同步空载输出,并向系统控制器输出同步信号,市电提供空载输出用电,市电掉电时,负载切换到后备电源,电池组通过直流母线提供负载用电;
●电池组部分由蓄电池与充电装置组成,输出直流电压,其输出正端通过正向二级管与变频器母线正极连接(防止市电正常时母线电流倒灌到电池),市电正常时,电池组处于充电状态;
●输出升压率波部分由一个升压变压器与滤波电容构成,保持输出电源为客户需要的稳压稳频电源。
2.Goodrive300-EP专用功能说明
Goodriver300系列EPS专用变频器采用模块化设计,标配市电同步卡,满足客户在EPS电源系统锁相、欠压报警、自动限流、支持全系列直流输入、高静音、输出电压更接近的正弦波的前提下,同时提供了丰富的外接端子,支持多种控制,稳定的PID电压反馈通道,确保负载变化的情况下,输出电压的稳定性。

3.应用场合
●消防应急EPS电源
---消防用动力型EPS、快速切换电源;
●岸电电源
---低压、中压岸电电源;
●大功率变频电源
---实验室电源、化纤电源等满足稳压稳频、独立调压、独立调频等功能要求的;
●电磁搅拌电源
---冶金连铸设备。




