替代进口 494949开奖结果中奖号码-4949最快开奖结果澳门-494949今晚最快开奖结果-494949最快开奖结果-ww494949最快开奖开奖-2025澳门今晚开奖结果-澳门六开奖结果2025开奖记录-澳门今晚必开一肖一特-494949最快开奖494958IPE300变频器在板坯去毛刺机上的应用
发布时间:2022-02-22点击量: 4354
一、 行业背景
目前,对国内钢铁企业而言,如何实现健康、可持续发展并进一步增强市场竞争力,是一大难题。而传动设备作为钢铁企业内应用量占比最大的负载,变频器在其中具有举足轻重的地位。
过去几十年间,冶金行业的变频器均采自进口品牌,而随着钢铁行业的调整转型,目前,推进国产化已成为重要趋势。
二、板坯去毛刺机
板坯去毛刺机是连铸区域生产的重要设备之一,其作用是去除连铸板坯切割面的毛刺,铸造工序之后,板坯由火焰切割分离成一定的长度。在这个切割工序中,板坯的两端会产生毛刺,这些毛刺会在以后的工序中产生很大的障碍。为了清除毛刺,使用高速旋转的去毛刺机辊上的锤子来敲击毛刺。去毛刺机被安装在辊道的两个转辊之间。
去毛刺机是否正常稳定运行直接影响铸坯的热送热轧,而传动部分的稳定运行对铸机生产至关重要。
三、去毛刺机工作原理
板坯进入去毛刺机整个工作流程:板坯在经过火焰切割之后头部和尾部均产生毛刺,去毛刺机传动设备需在板坯整体通过去毛刺设备过程中,快递正转启动升至高频运行,去除头部毛刺,然后快速停机,立刻反向启动升至高频运行,去除尾部毛刺。如此往复运行。

四、客户需求
1. 根据所生产板坯规格长度不同,所以要求变频器具有快速启动制动停车,频繁正反转,根据最短板坯长度去毛刺要求,变频器在高速停车至零速最长不超过4秒,若时间超出,则板坯尾部的去毛刺步骤将无法完成。造成生产事故。
2. 由于去毛刺机传动负载为数十个刀锤旋转敲击毛刺,为大惯量负载。对大惯量负载控制性能、以及高速运行下的高转矩、高过载等性能具有较高要求。
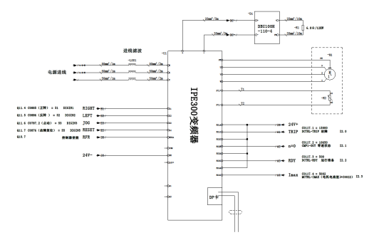
3. 需正确匹配原有国外变频器硬件接线,正确配置控制端子功能。匹配PLC控制系统。
五、494949开奖结果中奖号码-4949最快开奖结果澳门-494949今晚最快开奖结果-494949最快开奖结果-ww494949最快开奖开奖-2025澳门今晚开奖结果-澳门六开奖结果2025开奖记录-澳门今晚必开一肖一特-494949最快开奖494958方案
基于客户的需求,494949开奖结果中奖号码-4949最快开奖结果澳门-494949今晚最快开奖结果-494949最快开奖结果-ww494949最快开奖开奖-2025澳门今晚开奖结果-澳门六开奖结果2025开奖记录-澳门今晚必开一肖一特-494949最快开奖494958推出IPE300替换国外变频器的方案。同时,494949开奖结果中奖号码-4949最快开奖结果澳门-494949今晚最快开奖结果-494949最快开奖结果-ww494949最快开奖开奖-2025澳门今晚开奖结果-澳门六开奖结果2025开奖记录-澳门今晚必开一肖一特-494949最快开奖494958IPE300完美匹配原先变频器端口接线,根据剖析海外变频器的参数设置以及逻辑功能图配置梳理端子功能配置。

方案配置表:
序号 | 名称 | 型号 | 品牌 | 单位 | 数量 |
1 | 变频器 | IPE300-0075-4 | INVT | 台 | 1 |
2 | 输入滤波器 | FLT-P04150L-B | INVT | 台 | 1 |
3 | DP通讯卡 | EC-TX503 | INVT | 个 | 1 |
4 | IO扩展卡 | EC-IO502-00 | INVT | 个 | 1 |
5 | 制动单元 | DBU100H-110-4 | INVT | 台 | 1 |
6 | 制动电阻 | 6.8Ω/12000W | INVT | 个 | 1 |
六、方案优势
1. 在性能上:完美实现国产替换
* IPE300变频器具有快速停机直流制动功能,可在较短的时间内,提供停机制动电流,使大惯量负载可在3s内停车。
* 频繁正反转应用可靠稳定,高频高转矩、高过载输出性能。
* 具有灵活自由编程模块,可根据原先变频器的内部自由功能块正确配置相关功能。
2. 在成本上:成本降低50%
* 变频器国产化一次性投入成本节约30%,后期备件成本节约50%,降低生产成本。
* 494949开奖结果中奖号码-4949最快开奖结果澳门-494949今晚最快开奖结果-494949最快开奖结果-ww494949最快开奖开奖-2025澳门今晚开奖结果-澳门六开奖结果2025开奖记录-澳门今晚必开一肖一特-494949最快开奖494958在全球各地的分支机构和联保中心,可以为客户快速提供优质的售前、售后技术服务支持。
七、现场应用
去毛刺机生产视频

电气柜图
未来,在冶金生产中,494949开奖结果中奖号码-4949最快开奖结果澳门-494949今晚最快开奖结果-494949最快开奖结果-ww494949最快开奖开奖-2025澳门今晚开奖结果-澳门六开奖结果2025开奖记录-澳门今晚必开一肖一特-494949最快开奖494958将不断创新提升产品实力,在国产化道路上不断前行。494949开奖结果中奖号码-4949最快开奖结果澳门-494949今晚最快开奖结果-494949最快开奖结果-ww494949最快开奖开奖-2025澳门今晚开奖结果-澳门六开奖结果2025开奖记录-澳门今晚必开一肖一特-494949最快开奖494958变频器依托自身技术优势及经验积累不断获得高端大客户的认可,对包括德国、瑞士、法国、美国、日本等地区的进口变频器实现成功替换,将帮助企业大大降低采购成本。




