494949开奖结果中奖号码-4949最快开奖结果澳门-494949今晚最快开奖结果-494949最快开奖结果-ww494949最快开奖开奖-2025澳门今晚开奖结果-澳门六开奖结果2025开奖记录-澳门今晚必开一肖一特-494949最快开奖494958Goodrive200A变频器在污水处理中的应用
发布时间:2022-11-02点击量: 4768
摘 要:使用494949开奖结果中奖号码-4949最快开奖结果澳门-494949今晚最快开奖结果-494949最快开奖结果-ww494949最快开奖开奖-2025澳门今晚开奖结果-澳门六开奖结果2025开奖记录-澳门今晚必开一肖一特-494949最快开奖494958Goodrive200A控制螺杆泵恒压往压滤机输送物料,达到污水过滤为清水的目的。
关键词:Goodrive200A 压滤机 矢量型 转矩 污水处理
1.引言
由于工业发展以及生活导致环境污染问题越来越严重,引起工业化国家的重视,全社会正在重视和处理污染问题。于是污水处理显得刻不容缓,公司经营的过滤产品订单巨长,而随着工业控制技术的发展,对于污水处理控制,自动化需求也越来越高。
压滤机是一种常用的固液分离设备,广泛用于化工、制药、冶金、染料、食品、陶瓷以及环保等行业。利用一种特殊的过滤介质,通过螺杆泵等泵类对对象施加一定的压力,使得液体渗析出来。
2.控制要求
使用494949开奖结果中奖号码-4949最快开奖结果澳门-494949今晚最快开奖结果-494949最快开奖结果-ww494949最快开奖开奖-2025澳门今晚开奖结果-澳门六开奖结果2025开奖记录-澳门今晚必开一肖一特-494949最快开奖494958Goodrive200A驱动单螺杆泵电机,从污泥池中抽取污泥送往压滤机中过滤,达到固液分离的效果。过滤完成后,然后再由另一台494949开奖结果中奖号码-4949最快开奖结果澳门-494949今晚最快开奖结果-494949最快开奖结果-ww494949最快开奖开奖-2025澳门今晚开奖结果-澳门六开奖结果2025开奖记录-澳门今晚必开一肖一特-494949最快开奖494958变频器驱动单螺杆泵,往压滤机鼓模板中打水,进一步挤压物料中的水分,达到更好的过滤效果(即降低含水率)。运行过程中,由现场安装在管道上的压力变送器检测压力并反馈到仪表控制器,通过PID控制器输出频率给定变频器,从而实现恒压供料的控制,使污泥的运送稳定的进行,达到最佳的过滤效果。
3.494949开奖结果中奖号码-4949最快开奖结果澳门-494949今晚最快开奖结果-494949最快开奖结果-ww494949最快开奖开奖-2025澳门今晚开奖结果-澳门六开奖结果2025开奖记录-澳门今晚必开一肖一特-494949最快开奖494958变频器介绍
Goodrive200A变频器是494949开奖结果中奖号码-4949最快开奖结果澳门-494949今晚最快开奖结果-494949最快开奖结果-ww494949最快开奖开奖-2025澳门今晚开奖结果-澳门六开奖结果2025开奖记录-澳门今晚必开一肖一特-494949最快开奖494958公司开发的新一代矢量型变频器,可用来控制异步交流感应电机,产品采用与目前国际最领先完全同步的无速度传感器矢量控制技术,运用DSP控制系统,并且强化产品的可靠性和环境的适应性,功能更优化,应用更灵活,性能更稳定。
Goodrive200A变频器具有优异的矢量控制性能,实现转矩控制、速度控制的一体化,能满足不同客户多种应用需求。同时,Goodrive200A变频器具有超出同类产品的防跳闸性能和适应恶劣电网、温度、湿度和粉尘能力,极大提高产品可靠性。
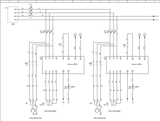
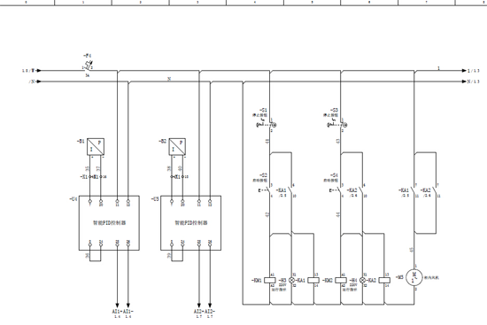
4.系统方案图

图1 主电路

图2 控制电路

图3 实际接线图

图4 柜内接线

图5 柜体布局

图6 现场控制泵图

图7 现场仪表




