494949开奖结果中奖号码-4949最快开奖结果澳门-494949今晚最快开奖结果-494949最快开奖结果-ww494949最快开奖开奖-2025澳门今晚开奖结果-澳门六开奖结果2025开奖记录-澳门今晚必开一肖一特-494949最快开奖494958CHV190系列变频器在永磁同步电机驱动矿井提升机中的应用
发布时间:2022-11-02点击量: 4984
摘 要:本文分析了矿井提升机的运行特点,详细阐述了494949开奖结果中奖号码-4949最快开奖结果澳门-494949今晚最快开奖结果-494949最快开奖结果-ww494949最快开奖开奖-2025澳门今晚开奖结果-澳门六开奖结果2025开奖记录-澳门今晚必开一肖一特-494949最快开奖494958CHV190系列起重提升专用变频器用于永磁同步电动机驱动的节能型矿井提升机的选型配置原则,最后介绍了应用现场的调试步骤及注意事项。
关键词:494949开奖结果中奖号码-4949最快开奖结果澳门-494949今晚最快开奖结果-494949最快开奖结果-ww494949最快开奖开奖-2025澳门今晚开奖结果-澳门六开奖结果2025开奖记录-澳门今晚必开一肖一特-494949最快开奖494958CHV190系列起重提升专用变频器 节能型矿井提升机 永磁同步电机
引 言:
矿井提升机是矿井运输的主要环节,主要任务是提升井下的矸石、煤和废石,同时还要运送人员、设备和材料。因此矿井提升机工艺对电气传动的要求是很高的,主要表现在:提升机电气传动的可靠性,不仅关系到矿井的生产能力和生产计划管理,而且直接关系到井下每个矿工的生命安全,电控设备的任何故障都可能造成人身事故和整个矿井停产;必须满足提升机力图要求并能在四象限平滑运行;能够频繁进行正向、反向、启动、运行、停车、制动,能按一定的速度图运行;负载属于恒转矩负载。
1.行业现状
目前国内提升机电控绝大多数还是转子回路串电阻分段控制的交流绕线式电机继电器-接触器系统,技术落后,存在的问题很多;例如:①转子回路串接电阻,消耗电能,造成能源浪费;②电阻分级切换,为有级调速,设备运行不平稳,容易引起电气及机械冲击;③继电器、接触器频繁动作,电弧烧蚀触点,影响接触器使用寿命,维修成本较高;④交流绕线异步电动机的滑环存在接触不良问题,容易引起设备事故;⑤不能达到稳定的低速爬行,最后导致停车位置不准,不能正常装卸载。
2.发展趋势
(1)随着国家出台一系列节能降耗、发展低碳经济相关政策,各大煤炭企业将不得不淘汰掉那些高耗能、高污染、生产技术落后的设备。矿井提升机作为生产重要设备,除高耗能以外,还有着工作结构复杂、危险程度大等突出问题,因此,技术落后、设备陈旧逐渐不能满足发展要求,取而代之的将会是节能环保、安全高效的全数字化生产模式。全数字化矿井提升机控制系统结构如图 1所示。
(2)使用变频器调速的矿井提升机,可以实现启动时的软启动、软停车,减轻对电网的冲击;可根据负载需要,自动输出合适的功率大大降低了不必要的能量耗损;调速平滑连续,使运行更加安全、稳定、高效。据此,变频器以其独特的优势在提升机行业的应用也迎来了发展的新时期。
(3)永磁同步电动机(PMSM)是节省能源最有效的电动机。电动机几乎消耗了许多国家工业用电的2/3。出于节能和环保考虑.包括我国在内的世界上许多国家对电动机系统的节能均给予了高度重视。PMSM无需从电网吸取无功电流建立气隙磁场,无激磁损耗。从而显著提高了效率和功率因数,比异步电动机具有更显著的综合节能效果,是今后最有发展前途的电动机。

图1 矿井提升机控制系统结构
3.矿井提升机参数与电气系统
矿井提升机机械部分采用JK-3型提升机,卷筒数量1个,卷筒直径3m,钢丝绳最大静张力135KN,最大提升速度5.73M/S。
电气部件主要由开关柜、控制柜、功率电阻柜、变频器柜、操作台、和电机组成;控制系统采用西门子S7-300系列PLC;传动系统采用494949开奖结果中奖号码-4949最快开奖结果澳门-494949今晚最快开奖结果-494949最快开奖结果-ww494949最快开奖开奖-2025澳门今晚开奖结果-澳门六开奖结果2025开奖记录-澳门今晚必开一肖一特-494949最快开奖494958CHV190-1000G-6型起重专用变频器;电机采用TYPK型950KW / 40极变频三相同步节能型永磁电机。

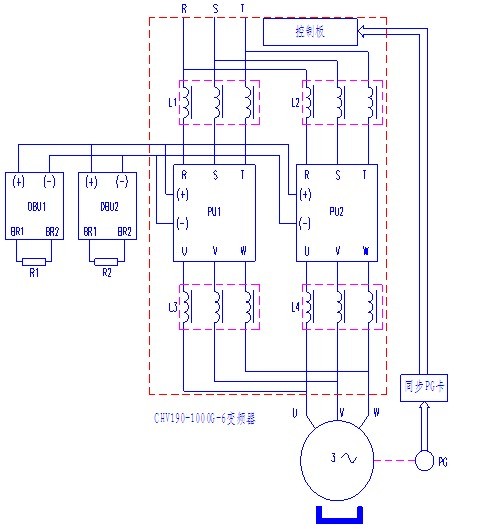
--传动系统方案如图2所示,变压器二次侧690V三相交流电源经隔离开关、熔断器、接触器、输入电抗器提供给变频器,CHV190-1000G-6变频器采用并机方式,即由2台690V500KW变频器并机组成,每台变频器均配置输入、输出电抗器,与电动机同轴安装UVW型同步电动机专用编码器。电气制动采用2台DBU100H-320-6能耗制动单元;每台制动单元连接4Ω180KW制动电阻。
--变频器电气控制系统原理如图3所示。控制电路由控制变压器输出的AC220V电源再通过隔离变压器、开关电源后,输出AC220V、DC24V、DC12V电源分别提供给PLC、显示器、继电器、检测器件、电磁阀等;变频器采用端子控制模式,操作指令由控制台发起,经PLC处理后输出,通过PLC与变频器控制板I/O接口连接线传递信号,实现远程控制。
为了提高变频器对电机的精确控制,采用闭环矢量控制模式,防止溜钩或因上升或下降启动时电机输出转矩不足而引起冲击机械系统产生振动的现象。变频器多功能端子组S1—S6(HDI)对应指令为提升机上行、下行、变频器复位、验绳、自动恒速1、自动恒速2;启动联锁对应扩展I/O卡的S7端子,多功能模拟量输入AI1设定提升机运行速度。两路输出继电器RO1、RO2,其中RO1设置为故障输出功能,RO2设置为变频器输出频率检测功能以控制电机制动器的抱闸接触器。矿井提升机抱闸控制继电器KB通过变频器输出继电器RO2控制。不工作时,制动控制继电器RO2A与RO2C之间为常开触点,当上升或下降端子接通时,变频器按设定频率启动, RO2A与RO2C之间接通,抱闸控制继电器KB吸合,电磁阀线圈得电,制动器松闸,处于可运行状态。

图3 变频器电气控制原理图

图4 现场调试
4.结束语
494949开奖结果中奖号码-4949最快开奖结果澳门-494949今晚最快开奖结果-494949最快开奖结果-ww494949最快开奖开奖-2025澳门今晚开奖结果-澳门六开奖结果2025开奖记录-澳门今晚必开一肖一特-494949最快开奖494958CHV190系列起重提升专用变频器是一款高性能矢量变频器,广泛应用于起重、提升行业的各类起重机、矿井提升机等高端应用场合。在永磁同步电机驱动的矿井提升机应用中,通过变频器对电机的高精度控制,使运行既安全又高效,在起停过程中,几乎感觉不到机械系统的冲击,大大增强了提升机在运行过程中的平稳性和舒适感,同时节能效果显著,是矿山提升机的理想更新换代产品。
参考文献:
1.INVT·CHV190变频调速器操作说明书[Z]·2009
2.韩安荣·通用变频器及其应用[M]·机械工业出版社·2000
3.毋虎城、裴文喜·矿山运输与提升设备[M]·煤炭工业出版社·2004
4.段苏振·交流变频调速的电气制动方式[J]·机床电器,2004




