494949开奖结果中奖号码-4949最快开奖结果澳门-494949今晚最快开奖结果-494949最快开奖结果-ww494949最快开奖开奖-2025澳门今晚开奖结果-澳门六开奖结果2025开奖记录-澳门今晚必开一肖一特-494949最快开奖494958Goodrive3000 3300V变频器在矿井刮板机上的应用
发布时间:2022-11-02点击量: 5554
摘 要:刮板机传输系统是煤矿井下综采面的重要设备,广泛应用于煤矿的日常开采输送工作。近年来,煤炭行业的快速发展,国家采煤工作面设备装备功率逐步增加,采煤技术日新月异,综采工作面中变频技术广泛应用于刮板机输送系统,提升采煤效率;
关键词:GD3000 3300V 刮板机 三电平 功率平衡
一、 引言
开元煤矿隶属于阳煤集团,年产煤量300万吨,目前共有3个采煤面,其中9711工作面首次采用3300V自动化综合采煤系统,日产煤量3200吨左右(约普通1140V采煤面2倍)。开元煤矿综采工作面走向长度约为5千米,如果刮板机维护不到位,造成刮板机链条拉伸,在生产过程中链条很容易过负荷拉断,影响安全生产,在选择使用成套智能控制系统,采用3300V三电平变频技术在综采工作面大功率装机输送设备上的使用,很大程度上减少了刮板机运行中的故障,提高了工作面生产设备的有效开机率,确保了安全高效生产。

图1 阳煤集团开元煤矿
阳煤集团开元煤矿9711工作面刮板机配置两台3300V/700kW异步电动机,机头机尾各一台,选用494949开奖结果中奖号码-4949最快开奖结果澳门-494949今晚最快开奖结果-494949最快开奖结果-ww494949最快开奖开奖-2025澳门今晚开奖结果-澳门六开奖结果2025开奖记录-澳门今晚必开一肖一特-494949最快开奖494958研发生产的GD3000 3300V系列三电平组合变频调速系统,产品型号为GD3000-01-3*1250G-33,采用一主一从一备用的功率平衡控制方式,高性能的三电平变频系统解决了刮板机重载启动困难,电动机易烧毁、断链断齿等问题,GD3000 3300V产品可实现大转矩启动且启停平稳,能够满足交流电机在任意负荷状况下启停车,从根本上解决这一问题,同时增加了设备的使用寿命。
二、 现场设备及运行工况分析
2.1 现场设备参数
刮板机电机技术参数
电机铭牌 | |||
额定功率 | 700kW | 额定电压 | 3.3kV |
额定转速 | 1490r/min | 额定电流 | 141A |
2.2 现场设备工况

图2 3300V 3*1250kW防爆变频器现场图片
3300V 3*1250kW防爆变频器如图2所示,其中前运刮板机(俗称工作溜)采用两台3300V异步电动机主从驱动,为保证输出功率平衡,一般将从机作为机头,主机作为机尾。防爆变频器内三台3300V/1250kW变频器,两台做主从控制,另外一台待机做备用,现场三台变频器位于同一防爆壳内,放置于某一废弃巷道内距离工作溜电机约1500m。现场通风较好,环境温度大约3~5度,防爆壳内较为干燥,防爆壳外空气中煤粉含量较多。
2.3 现场存在问题:
在综采面工作的过程中,采煤机截割的煤量是不均匀的,这会造成刮板运输过程负载大小的不断变化,进而也会造成电机功率不平衡,刮板机运行不稳,链条被拉断等问题。采用3300V变频器主从控制模式可以在运输过程中根据负载的变频实时进行输出调节,保证两台电机功率平衡,从而达到重载启动和平稳运行的效果。
三、 变频器配置方案
3.1 主从控制方案

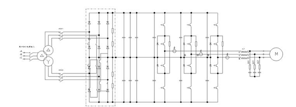
图3自动化综合采煤系统示意图
3300V自动化综合采煤系统示意图如图3所示,其中前运刮板机(俗称工作溜)采用两台3300V异步电动机主从驱动,为保证输出功率平衡,一般将从机作为机头,主机作为机尾。现场工作溜电机采用两台我司3300V三电平变频器分别控制机头和机尾电机,另一台待机用作备用。
主从之间采用CAN总线通讯方式,当主机变频器收到本地或远程的控制信号后,会根据主机的状态将开停机的命令发送给从机。即从机变频器启停受主机控制。当主机执行启停命令后,会根据预先设置好的频率加速时间和减速时间进行升频或降频。并将主变频器运行频率和有功电流作为基准频率和基准电流发送给从机变频器。从机收到主机发来的频率和电流信号后,将自身运行频率调整到基准频率,同时比较检测自身的有功电流 ,若自身的电流小则升频,大则进行降频。刮板机是恒转矩系统,其中一台变频器输出的频率增加或减小,会导致其输出的电流增加或减小,电流的增加或减小又影响了所驱动电机转矩的增加或减小,从而使其他的电动机输出转矩减小或增加。功率平衡的最终目标就是通过调整使从机和主机的有功电流一致,从而保证各个驱动电机的输出转矩相同、功率相同。
主机还能接收从机的反馈信号,以判断从机的通讯和运行状况。若主从机任意一台发生故障,主从机都能够停机,停止输出,及时保护整个系统。
3.2 GD3000 3300V系列三电平变频器特性
(1)技术新颖

图4 GD3000 3300V主回路拓扑图
GD3000 3300V变频器,整流采用12脉波二极管整流,逆变采用先进的三电平拓扑结构,使用较低耐压的功率器件,直接应用于更高电压等级的主回路拓扑技术,可避免器件串联引起的动态均压问题,同时降低输出谐波和du/dt;可用来控制交流异步感应电机和永磁同步电机,可以满足不同电机的工作模式。产品采用目前国际领先的矢量控制技术,功能更优化,应用更灵活,性能更稳定。
(2)产品特点
* 领先的三电平拓扑结构;
* 全面的控制方式,兼容同步/异步电机驱动控制;
* 优异的驱动性能,多机功率平衡同步运行;
* 卓越的运行控制性能,低频大转矩平稳启动;
* 完善的电机自学习功能;
* 专业定制的叠层母排及模块化设计,紧凑化设计,有效减小空间体积;
3.3 变频器选型
结合皮带机现场实际,我司选型如下:
型号 | 额定输入电压(Vac) | 额定输出功率(KW) | 额定输出电流(A) |
GD3000-01-3*1250G-33 | 2*1905 | 1250 | 280 |
四、 客户现场具体使用效果
4.1 现场使用效果
开元煤矿综采面刮板机变频调速系统于2017年9月20号正式投运成功。
一主一从刮板机驱动系统变频器运行状态图:

图5 GD3000-01-3*1250G-33现场运行状态

图6 变频器输出电压电流波形
4.2 现场照片

图7 现场刮板输送机图片
4.3 客户收益
应用494949开奖结果中奖号码-4949最快开奖结果澳门-494949今晚最快开奖结果-494949最快开奖结果-ww494949最快开奖开奖-2025澳门今晚开奖结果-澳门六开奖结果2025开奖记录-澳门今晚必开一肖一特-494949最快开奖494958GD3000 3300V系列三电平变频调速系统后,真正实现了刮板机的重载启停和功率平衡。
* 替代CST、TTT、高低速等设备采用直接对轮联接,简化机械系统,提高设备机械效率和可靠性。
* 解决刮板输送机重载软启动,减少机械和电气冲击。
* 实现根据链条强度设置最大转矩保护,减少断链的发生。
* 设置转矩下限保护值,实现断链自动停机保护。
* 实现机头机尾动态功率平衡。
* 具备低速检修模式以及正反转控制模式,便于刮板机的检修和卡链的处理。
* 可采用普通的单速电动机,相比双速电机可节约动力电缆。
4.4 结束语
综上所述,GD3000 3300V系列三电平变频器完全满足刮板机驱动系统负载控制要求,提高了煤矿开采的自动化程度。同时在国家大力提倡节能减排和自动化生产的环境中,大力推进变频器在刮板输送机、胶带输送机电控系统上的应用具有积极的社会意义和现实意义。
参考文献:
[1] 《GD3000变频器产品说明书》494949开奖结果中奖号码-4949最快开奖结果澳门-494949今晚最快开奖结果-494949最快开奖结果-ww494949最快开奖开奖-2025澳门今晚开奖结果-澳门六开奖结果2025开奖记录-澳门今晚必开一肖一特-494949最快开奖494958
[2] 《变频技术在工作面刮板输送机上的应用》吕志清
[3] 《变频调速技术在煤矿刮板输送机中的应用》李纪领




