494949开奖结果中奖号码-4949最快开奖结果澳门-494949今晚最快开奖结果-494949最快开奖结果-ww494949最快开奖开奖-2025澳门今晚开奖结果-澳门六开奖结果2025开奖记录-澳门今晚必开一肖一特-494949最快开奖494958Goodrive350变频器在高速电主轴上的应用
发布时间:2022-11-01点击量: 6003
摘 要:本文重点介绍494949开奖结果中奖号码-4949最快开奖结果澳门-494949今晚最快开奖结果-494949最快开奖结果-ww494949最快开奖开奖-2025澳门今晚开奖结果-澳门六开奖结果2025开奖记录-澳门今晚必开一肖一特-494949最快开奖494958GD350变频器在高速电主轴上的应用。
关键词:GD350变频器 高速电主轴
一、引言
高速电主轴转速高、体积小,损耗小,机床设计简单,主轴定位更加容易操作,电主轴是将机床主轴与主轴电机融为一体的新技术,在数控机床领域出被广泛的应用。
二、高速电主轴控制要求
高速电主轴控制要求:
1、 最高运行频率1200Hz;
2、 开环/闭环运行;
3、 启停平稳无抖动;
三、调试
1、设备选型:
高速电主轴由客户提供:

图1 客户高速主轴
494949开奖结果中奖号码-4949最快开奖结果澳门-494949今晚最快开奖结果-494949最快开奖结果-ww494949最快开奖开奖-2025澳门今晚开奖结果-澳门六开奖结果2025开奖记录-澳门今晚必开一肖一特-494949最快开奖494958变频器型号及参数:
序号 | 名称 | 电压等级 | 型号 | 电流 | 数量 |
1 | 变频器 | 380V | GD350-015G-4 | 32A | 1台 |
2 | PG卡 | EC-PG505-12 | 1个 | ||
3 | 制动电阻 | 1KW 30Ω | 1个 |
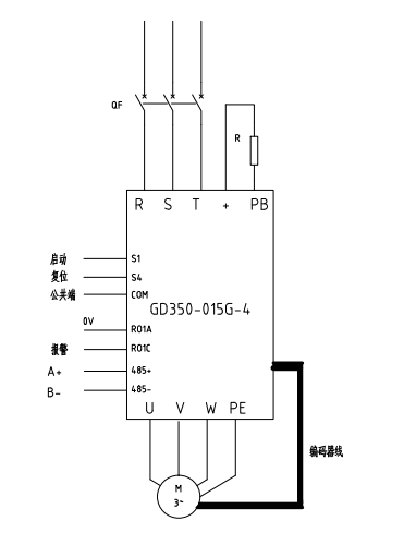
2、接线图:
高速电主轴变频器控制器接线图如下:

图2 高速电主轴接线图
3、调试说明
1、按照电气原理图检查接线无误。
2、输入电机参数进行自学习。
3、先空载进行测试,看速度响应,适当调节速度环和位置环增益。
4、空载测试好之后,进行带载测试,根据实际效果进行参数微调。
5、变频器调试主要参数:
p0.00 | 3 |
p0.03 | 1200 |
p0.04 | 1200 |
p0.11 | 30 |
p0.12 | 30 |
p0.14 | 8 |
P2.00 | 1 |
P2.15 | 15 |
P2.16 | 1200 |
P2.17 | 2 |
P2.18 | 380 |
P2.20 | 0.072 |
P2.21 | 0.25 |
P2.22 | 0.49 |
P2.23 | 291 |
P2.22 | 0.49 |
P2.23 | 291 |
P3.09 | 500 |
P3.10 | 500 |
P3.36 | 50 |
P3.37 | 2500 |
P3.38 | 2500 |
P4.01 | 0.1 |
P4.35 | 500 |
P8.22 | 1 |
P8.40 | 1 |
P13.01 | 2 |
P13.04 | 50 |
P13.06 | 90 |
P13.09 | 100 |
P20.21 | 1 |
P20.23 | 120 |
四、494949开奖结果中奖号码-4949最快开奖结果澳门-494949今晚最快开奖结果-494949最快开奖结果-ww494949最快开奖开奖-2025澳门今晚开奖结果-澳门六开奖结果2025开奖记录-澳门今晚必开一肖一特-494949最快开奖494958GD350系列变频器产品应用优势简介
GD350变频器是一款高性能矢量工程伺服驱动器,具有丰富的I/O接口,具有调速范围广、响应速度快、控制精度高等特点,特别是具有较强的过载能力(150%过载每5分钟允许1分钟),和控制精度高特点(闭环矢量控制下误差为0.1%最高速度)保证了高速电主轴能平稳运行在1200HZ。
五、结束语
494949开奖结果中奖号码-4949最快开奖结果澳门-494949今晚最快开奖结果-494949最快开奖结果-ww494949最快开奖开奖-2025澳门今晚开奖结果-澳门六开奖结果2025开奖记录-澳门今晚必开一肖一特-494949最快开奖494958GD350变频器在高速电主轴上的的成功应用,提供了更高性价比的国产化变频器驱动解决方案,开创了国产化变频器解决方案的先河,且我司GD350系列变频器,操作简单、维护方便,故障率低。同时也说明GD350在类似高频场合应用非常适合。
参考文献
[1] 《GD350系列产品说明书》 深圳市494949开奖结果中奖号码-4949最快开奖结果澳门-494949今晚最快开奖结果-494949最快开奖结果-ww494949最快开奖开奖-2025澳门今晚开奖结果-澳门六开奖结果2025开奖记录-澳门今晚必开一肖一特-494949最快开奖494958股份有限公司




