494949开奖结果中奖号码-4949最快开奖结果澳门-494949今晚最快开奖结果-494949最快开奖结果-ww494949最快开奖开奖-2025澳门今晚开奖结果-澳门六开奖结果2025开奖记录-澳门今晚必开一肖一特-494949最快开奖494958CHV190系列变频器在门座式起重机中的应用
发布时间:2022-11-01点击量: 9166
1.前言
随着工业生产对起重机调速性能要求的不断提高,常用传统的起重机调速方法如:绕线转子异步电动机转子串电阻调速、晶闸管定子调压调速和串级调速等共同的缺点是绕线转子异步电动机有集电环和电刷,它们要求定期维护,由集电环和电刷引起的故障较为常见,再加上大量继电器、接触器的使用,致使现场维护量较大,调速系统的故障率较高,而且调速系统的综合技术指标较差,已不能满足工业生产的特殊要求。
交流变频调速技术在工业界的广泛应用,为交流异步电动机驱动的起重机大范围、高质量地调速提供了全新的方案。它具有高性能的调速指标,可以使用结构简单、工作可靠、维护方便的鼠笼异步电动机,并且高效、节能,其外围控制线路简单,维护工作量小,保护监测功能完善,运行可靠性较传统的交流调速系统有较大的提高。所以,采用交流变频调速是起重机交流调速技术发展的主流。
交流变频调速技术应用于起重机后,与市场上大量使用的传统的绕线异步电动机转子串电阻调速系统相比,可带来以下显著效益:
●采用交流变频调速技术的起重机由于变频器驱动的电动机机械特性硬,具有精确定位的优点,不会出现传统起重机负载变化时电动机转速也随之变化的现象,可以提高装卸作业的生产率;
●变频起重机运行平稳,起、制动平缓,运行中加、减速时整机振动和冲击明显减小,安全性提高,并且延长了起重机机械部分的寿命;
●机械制动器在电动机低速时动作,主钩以及大、小车的制动由电气制动完成,所以机械制动器的制动片寿命大为延长,维护保养费用下降;
●采用结构简单、可靠性高的鼠笼异步电动机取代绕线转子异步电动机,避免了因集电环、电刷磨损或腐蚀引起接触不良而造成电动机损坏或不能起动的故障;
●交流接触器大量减少,电动机主回路实现了无触点化控制,避免了因接触器触头频繁动作而烧损以及由于接触器触头烧损而引起的电动机损坏故障;
●交流变频调速系统可以根据现场情况,灵活调整各档速度和加、减速时间,使得变频起重机操作灵活、现场适应性好;
●交流变频调速系统属高效率调速系统,运行效率高,发热损耗小,因此比老式调速系统大量节电;
●变频器具有完善的保护、监测及自诊断功能,如再结合PLC控制,可大幅度提高变频起重机电控系统的可靠性。
2.494949开奖结果中奖号码-4949最快开奖结果澳门-494949今晚最快开奖结果-494949最快开奖结果-ww494949最快开奖开奖-2025澳门今晚开奖结果-澳门六开奖结果2025开奖记录-澳门今晚必开一肖一特-494949最快开奖494958CHV190起重机专用变频器简介
2.1主要功能简介
CHV190起重机专用变频器是494949开奖结果中奖号码-4949最快开奖结果澳门-494949今晚最快开奖结果-494949最快开奖结果-ww494949最快开奖开奖-2025澳门今晚开奖结果-澳门六开奖结果2025开奖记录-澳门今晚必开一肖一特-494949最快开奖494958针对起重行业专业应用设计的一款高性能矢量变频器,用于各类起重机的起升、俯仰、变幅、大车、小车、回转、抓斗等机构的交流无级调速。主要的功能及特点如下:
●抱闸逻辑控制与监控、预励磁及起动预转矩补偿
准确的抱闸开启和闭合控制时序,通过抱闸实时状态反馈和起动预转矩补偿,确保控制的安全性和可靠性。预励磁功能是在启动之前自动地对电机实行直流励磁,以保证电动机快速地提供起动转矩,并通过调节励磁的时间使电动机的起动与机械制动器的释放时间相配合,避免出现“溜钩”现象;
●轻负载升速(电子副钩)和松绳检测
起重机空钩或轻载时实现2倍速运行,提高装卸效率。轻负载升速功能主要应用于起升高度较大的起重机:在起升机构空载运行时自动使速度上升,以缩短时间来提高装卸效率;重载时自动降低速度以确保设备和人身的安全。变频器根据启动后一段时间内的平均电流值来判断负荷的大小:当负载重时,变频器自动降低输出频率;当负载轻时,变频器自动提高输出频率。松绳检测功能防止在起重机绳索松弛的情况下,轻负载升速功能误动作引发的不安全运行;
●控制回路电源和主回路电源可以分别控制,提高了用户调试时的安全性,便于故障诊断与维护。
●主从控制功率平衡与速度同步技术
在两个大功率电机通过减速箱刚性连接驱动一个起升机构时,主从控制功率平衡功能保证两个电机出力均匀;在双起升机构提升一个重物时,主从控制速度同步功能保证两个起升机构同步提升,确保安全。
●第二电机控制及切换功能
一台变频器通过参数自学习可以自动存储两套电机参数,通过切换指令实现对两组电机的高性能矢量控制;便于电气传动系统的控制,降低用户成本。
●同时支持PROFIBUS-DP和MODBUS、INTERNET多种通讯协议,能实现多个变频器和PLC之间的通讯连接。
●危险速度监视、快速停车及超速保护
变频器实时监测电机的运行速度,当电机速度大于设定的最高允许速度或速度偏差值时,变频器发出故障报警并立即停止输出,机械制动器动作,使起重机处于安全状态。
快速停车功能给用户提供以下三种方式供选择:
方式1:电气制动的停车;
方式2:电气制动加机械制动的停车;
方式3:机械制动的停车。
●起重机操作模式
根据起重机不同的操作模式,为用户提供以下操作模式选择:操纵杆模式、遥控模式、电动电位器模式、分级操纵杆给定模式、分级遥控给定模式、通讯给定模式等。
2.2应用范围
CHV190起重机专用矢量变频器,具有优异的力矩控制性能,广泛适用于岸边集装箱起重机(STS)、轨道式集装箱龙门起重机(RMG)、轮胎式集装箱龙门起重机(RTG)、门座式起重机、造船用龙门起重机、装船机、卸船机、翻车机、堆取料机等各类港口机械,以及各类普通桥式、门座式、塔式起重机和提梁机、架桥机等起重机械的起升、变幅、大车、小车、回转、抓斗等机构的交流无级调速。
3.方案设计
3.1变频器主回路
门座式起重机起升机构的变频器采用矢量控制方式,它们要用所传动电动机的一些电机常数,而数据的获得是由变频器的参数自检测程序来完成的。如果按常规的导线发热校验选择电机的配线,必然在长距离供电时,把线路阻抗加入到了参数自检测出的电机数据中,引起变频器的控制精度下降,达不到设计要求。另外,变频器与电动机之间的敷设距离长,则线路压降大,有时产生电机转矩不足。特别是变频器输出频率较低时,其输出电压也低,线路压降所占的比例增大。变频器与电机间的线路压降以不超过额定电压的2%为容许值,电机电缆的截面可据此来选择。
由于在变频器的输出布线中存在寄生电容,其容量与电机电缆的长度成正比,电机电缆的寄生电容容量越大,采用PWM控制方式的变频器输出电缆中的漏电流也越大,从而造成变频器的出力不够。所以在门座式起重机的布线设计中,应力求减小变频器到电动机的电缆的长度总和。
3.2控制回路
变频器的控制信号为微弱的电压、电流信号,所以与主回路不同,变频器的输出回路是强电磁干扰源,因此,变频器控制回路的配线不能与变频器主回路配线在同一根铁管或同一配线槽内敷设。为了进一步提高抗干扰效果,还应采用1.0mm2绝缘屏蔽导线。绝缘屏蔽导线的接地应在变频器侧进行单点接地,使用专用的接地端子,不与其它的接地端子共用。电磁感应干扰的大小与电线的长度成比例,所以要尽可能地以最短的线路敷设。在电磁干扰严重的场合,除了采取接地、屏蔽等措施外,还可以在变频器的控制信号线上安装数据滤波器,以进一步减小干扰电压的影响。
3.3再生能量的处理
当采用变频器传动的起升机构拖动位能性负载下放或行走机构急减速、顺风运行时,异步电动机将处于再生发电状态。逆变器中的六个回馈二极管将传动机构的机械能转换成电能回馈到中间直流回路,并引起储能电容两端电压升高。若不采取必要的措施,当直流回路电容电压升到保护极限值后变频器将过电压跳闸。
在高性能的工程型变频器中,对连续再生能量的处理有以下两种方案:
(1)在中间直流回路设置电阻器,让连续再生能量通过电阻器以发热的形式消耗掉,这种方式称为动力制动;
(2)采用再生整流器方式,将连续再生能量送回电网,这种方式称为回馈制动。494949开奖结果中奖号码-4949最快开奖结果澳门-494949今晚最快开奖结果-494949最快开奖结果-ww494949最快开奖开奖-2025澳门今晚开奖结果-澳门六开奖结果2025开奖记录-澳门今晚必开一肖一特-494949最快开奖494958推出的DBU型能耗制动单元和RBU型能量回馈单元的具体参数可参见说明书。
4.CHV190起重机专用变频器在25t-35m门座式起重机中的应用介绍

4.1 125T-35M门座式起重机的主要参数
(1)额定起重量:吊钩下25m处40T;抓斗25T;
(2)起升高度:抓斗轨上20m;轨下15m;吊钩轨上28m;轨下15m;
(3)幅度:最大35m,最小10m;
(4)工作机构运行速度
--起升速度:吊钩额定25m/min;抓斗额定50m/min;空载60m/min;
--旋转速度:0.8(幅度30-35m)/1.2(幅度10-30m)rpm;
--变幅平均速度:45m/min;
--行走速度:25m/min;
(5)电源:3相380V,50Hz
(6)整机工作级别:A8
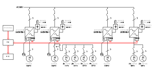
4.2电气传动单线图
4.2.1起升机构
MC型40T抓斗门座式起重机起升机构由支持、闭合机构组成,两机构均由1台160KW变频电机驱动,调速为带编码器的闭环矢量控制,采用INVT公司起重机专用变频器CHV190-220G-4;制动单元为DBU-315-4,制动电阻:2Ω80KW;属有档位无级调速方式,采用Profibus-DP现场总线控制,内设S曲线加减速模式,保证重物提升过程中的稳定性。
4.2.2俯仰机构
俯仰机构由1台132KW变频电机驱动,调速为带编码器的闭环矢量控制,采用INVT公司起重机专用变频器CHV190-185G-4;制动单元为DBU-315-4,制动电阻:2Ω60KW;属有档位无级调速方式,采用Profibus-DP现场总线控制,内设S曲线加减速模式,保证起升机构变幅过程中的稳定性。
4.2.3大车机构
大车运行机构由4台11KW变频电机驱动,和支持机构共用一台变频器通过切换分别控制,其中一组电机需要控制运行时,变频器接收到转换信号后自动切换到相应电机组参数。

4.2.4回转机构
回转机构由2台30KW变频电机驱动,调速为开环矢量控制,采用INVT公司起重机专用变频器CHV190-110G-4;制动单元为DBU-220-4,制动电阻:4Ω20KW;属有档位无级调速方式,采用Profibus-DP现场总线控制,内设S曲线加减速模式,保证回转机构的大惯性负载起制动平滑和运行的稳定性。
4.3系统优点
●可靠的抱闸逻辑控制,同时抱闸时间可调,在保证不溜钩的同时,也避免了电机的大冲击电流。
●高性能的闭环矢量控制,在零速时可输出180%的额定转矩长达10S。增加了系统的可靠性。
●提升机械采用轻负载升速(电子副钩)功能,吊重物时0-50HZ之间运行,空钩可实现0-100HZ之间运行,以提高工作效率;
●多段速或者模拟量调速,加减速过程均按照S曲线模式,增加了工作的稳定性,减小了机械冲击。延长设备使用寿命。
●多电机并联后,变频器自动辨识参数,建立有效的数学模型;控制精度非常高。
●单台变频器切换控制2组电机,自动辨识并存储两组电机参数,均可实现高性能控制。降低了设备的整机成本,极大提高了整机的竞争力。
●可调转矩补偿,实现精确控制。
5.结束语
随着电力电子技术的不断发展完善,交流变频调速技术日益显现出优异的控制及调速性能,高效率、易维护等特点,加之它的价格不断下降,使其成为起重机械一种优选的调速方案。但是,要使变频器成功地应用于起重机调速,就必须针对起重机的特点,计算和选择变频器及其外围的辅件,并在安装与布线时采取特殊技术措施,以保证变频调速的起重机安全、可靠地运行。
参考文献:
[1]CHV190变频调速器操作说明书[Z].2009
[2]韩安荣.通用变频器及其应用[M].机械工业出版社.2000
[3]段苏振.交流变频调速技术在门式起重机中的应用[J].电气传动.2005.1
[4]段苏振.交流变频调速的电气制动方式[J].机床电器.2004.3




