494949开奖结果中奖号码-4949最快开奖结果澳门-494949今晚最快开奖结果-494949最快开奖结果-ww494949最快开奖开奖-2025澳门今晚开奖结果-澳门六开奖结果2025开奖记录-澳门今晚必开一肖一特-494949最快开奖494958GD270产品在水泵上一拖二应用
发布时间:2024-03-12点击量: 4887
高楼大厦是现代都市的一张名片,住进高层楼房的人群也越来越多,用水问题也逐渐暴露。生活小区供水过程中,若自来水供水因故压力不足或短时断水,会影响居民生活,因此传统的供水控制系统正逐步被变频系统取代。
福建福州某小区内的用水量波动较大,长期处在工频额定状态下的水泵用电成本高,机械磨损和设备故障增加,寿命缩短,因此,为了对楼层用水进行恒压供水控制,且实现节能,有必要对供水控制系统进行升级改造。
494949开奖结果中奖号码-4949最快开奖结果澳门-494949今晚最快开奖结果-494949最快开奖结果-ww494949最快开奖开奖-2025澳门今晚开奖结果-澳门六开奖结果2025开奖记录-澳门今晚必开一肖一特-494949最快开奖494958方案
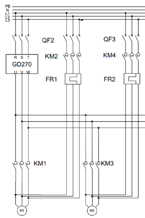
随着电力电子技术的迅速发展,变频调速系统的性能优势越来越明显,494949开奖结果中奖号码-4949最快开奖结果澳门-494949今晚最快开奖结果-494949最快开奖结果-ww494949最快开奖开奖-2025澳门今晚开奖结果-澳门六开奖结果2025开奖记录-澳门今晚必开一肖一特-494949最快开奖494958使用GD270变频器对楼层用水进行恒压供水控制,水泵采用一拖二模式,实现水泵轮循,达到节能,延长电机寿命的效果。
GD270系列风机水泵专用变频器优势
即装即用:集成风机水泵行业应用功能(HVAC)。
节能高效:集成全新ECO节能算法,节约运行成本。
防护升级:核心电路板标配加厚防护涂层。
EMC性能要有保证。
有恒压供水节能功能。
方案系统图

客户收益
成本:最大可以实现一拖8轮循供水功能,变频器选用P型机对应电机功率,采用一拖二应用,节省设备成本;
效率:能够实现快速加减速,将水泵转速短时间提升至工作频率,保障小区的供水;
节能:电机的功率因数,减小了输入电流,降低了运行频率,节能效率约为30% 左右,约每年可节约电费2万元以上;
494949开奖结果中奖号码-4949最快开奖结果澳门-494949今晚最快开奖结果-494949最快开奖结果-ww494949最快开奖开奖-2025澳门今晚开奖结果-澳门六开奖结果2025开奖记录-澳门今晚必开一肖一特-494949最快开奖494958GD270变频恒压供水控制系统,不但具有单独的恒压供水还能同时带多台水泵轮循使用,保证小区供水质量,节能效果明显,可靠性高。因此,小区供水控制系统的改造设计对于节能和改善供水质量上有着重要的实际意义,促进居民楼供水管理向现代化、科技化、智能化的转变。




