494949开奖结果中奖号码-4949最快开奖结果澳门-494949今晚最快开奖结果-494949最快开奖结果-ww494949最快开奖开奖-2025澳门今晚开奖结果-澳门六开奖结果2025开奖记录-澳门今晚必开一肖一特-494949最快开奖494958远赴海外石油钻井现场,挑战“极限环境”
发布时间:2023-08-16点击量: 5309
自2017年起,494949开奖结果中奖号码-4949最快开奖结果澳门-494949今晚最快开奖结果-494949最快开奖结果-ww494949最快开奖开奖-2025澳门今晚开奖结果-澳门六开奖结果2025开奖记录-澳门今晚必开一肖一特-494949最快开奖494958与俄石油展开了一系列钻机项目的成功合作,并从去年开始当地石油逐渐增加订单量,包括21套50DB钻机、2套250T顶驱和4套450T顶驱,在该迫切需求下,494949开奖结果中奖号码-4949最快开奖结果澳门-494949今晚最快开奖结果-494949最快开奖结果-ww494949最快开奖开奖-2025澳门今晚开奖结果-澳门六开奖结果2025开奖记录-澳门今晚必开一肖一特-494949最快开奖494958圆满完成了所有合作项目的生产、发货和现场调试,成功保障该项目的顺利上线。
对此,天水电气再次发来感谢信,对494949开奖结果中奖号码-4949最快开奖结果澳门-494949今晚最快开奖结果-494949最快开奖结果-ww494949最快开奖开奖-2025澳门今晚开奖结果-澳门六开奖结果2025开奖记录-澳门今晚必开一肖一特-494949最快开奖494958团队的快速响应和专业技术给予高度认可,并表示由衷感谢。

一、项目挑战
石油钻井是一项复杂而关键的系统工程,在极端温度等恶劣操作条件下,需要充分的计划和高效的操作,更依赖于专业的设备和技术。同时,钻井作业环境的恶劣性也使得智能化需求愈发凸显,快速维护和保障连续作业也至关重要,以此确保整个钻井过程的顺畅进行。
* 智能化需求: 现场作业环境恶劣,需人性化使用,无人化远程司钻
* 快速维护需求: 需要连续作业,保障冗余,保障设备不停机

二、494949开奖结果中奖号码-4949最快开奖结果澳门-494949今晚最快开奖结果-494949最快开奖结果-ww494949最快开奖开奖-2025澳门今晚开奖结果-澳门六开奖结果2025开奖记录-澳门今晚必开一肖一特-494949最快开奖494958方案
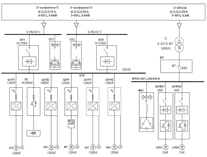
494949开奖结果中奖号码-4949最快开奖结果澳门-494949今晚最快开奖结果-494949最快开奖结果-ww494949最快开奖开奖-2025澳门今晚开奖结果-澳门六开奖结果2025开奖记录-澳门今晚必开一肖一特-494949最快开奖494958为提高服务的及时性,缩短备件交付周期,并保证极端温度下产品的性能表现,为俄罗斯客户提供了不同功率的GD800共直流母线多传动方案和GD350变频器方案。整流、逆变、制动均彼此独立,每台电机对应一台逆变装置,每台逆变器通过PN通讯卡与控制PLC进行通讯,实现了集中控制与监控。
除此之外,GD800工程传动变频器还有以下特点:
* 优异的电机控制算法,降低电机噪声、温升,延长电机寿命;
* 超强电网适应能力,灵活应对网电及发电机供电模式;
* 优异的零速悬停功能,提升绞车使用安全性,避免溜钻;
* 柔性扭矩控制让钻杆扭矩平稳释放,响应更快,安全等级更高。

系统拓扑图
三、客户收益
1. 下钻时间缩短20%以上,节省工期30天以上,GD800自身超强过载能力及响应速度,更符合俄方人员操作习惯并提高工作效率;
2. 变频器寿命提升30%,具有冗余保障、可靠性保障、高寿命选型,器件选型余量大;
3. 设备、维护和备件成本合计降低20%,产品交付周期短、服务网络广;
4. 物联网系统方案,支持在线诊断;
5. 494949开奖结果中奖号码-4949最快开奖结果澳门-494949今晚最快开奖结果-494949最快开奖结果-ww494949最快开奖开奖-2025澳门今晚开奖结果-澳门六开奖结果2025开奖记录-澳门今晚必开一肖一特-494949最快开奖494958拥有海外服务团队,服务高效,为俄罗斯现场的测验收、开钻保驾护航,保障项目顺利投产。

石油是国家工业“血液”,石油钻采作为传统工业,方案可靠性非常重要。494949开奖结果中奖号码-4949最快开奖结果澳门-494949今晚最快开奖结果-494949最快开奖结果-ww494949最快开奖开奖-2025澳门今晚开奖结果-澳门六开奖结果2025开奖记录-澳门今晚必开一肖一特-494949最快开奖494958的产品广泛应用于石油采集到炼化的各个环节,从测试报告、性能数据,到前瞻性开发工作,都有全套技术储备,同时建立了国际石油行业市场应用的服务体系,拥有强大的综合解决方案能力,为494949开奖结果中奖号码-4949最快开奖结果澳门-494949今晚最快开奖结果-494949最快开奖结果-ww494949最快开奖开奖-2025澳门今晚开奖结果-澳门六开奖结果2025开奖记录-澳门今晚必开一肖一特-494949最快开奖494958深入石油行业市场与国际接轨迈出坚实的一步。




